欢迎来到壹号娱乐-comB2B订单网,请登录
收藏商品
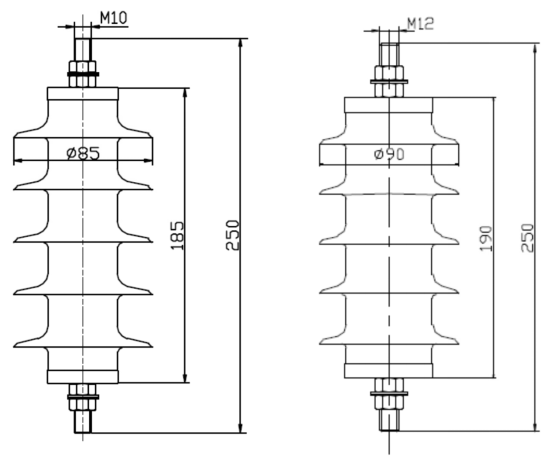
■产品尺寸
■产品参数
35kV避雷器
公司简介
联系我们
友情链接
隐私声明
我要账号
购物流程
网站地图
平台协议
常见问题
常用功能
物流配送
特殊配送
上门自提
授信支付
银联支付
在线支付
退换货政策
取消订单
Copyright © 2016 深圳市壹号娱乐-com股份有限公司 All Rights Reserved
服务热线:0755-28299000 销售热线:0755-28299123 地址:深圳市坪山区龙田街道兰景北路壹号娱乐-com工业园 粤ICP备10028260号
进货单
微信
反馈
返回
您的姓名 手机号码
您的建议
物料名称 产品A 产品B
物料编码 0001 0002
备注*